Kutusuz sarılabilir siperler

PEI kutusuz sarılabilir siperler, tasarım ve kullanıcıya göre kişiselleştirme açısından eşsizdir. Güvenilir ve çok yüksek ilerleme hızları bulunan, çoklu yaylı geri çağırma motoru sayesinde kutusuz sarılabilir siperler 1.000.000 harekete kadar garanti edilmektedir.
(Patentli)
Veriler
Siper Ebadı

Veriler:
Ø Max = Tam sarılmış azami çap
SL = Dil kalınlığı
LC = Deplasman uzunluğu
LM = Azami uzunluk
LT = Halı genişliği
Ø R = Sarım rulosu çapı
IPR = Siper ebadı
IPR değeri olan sarılabilir siperin toplam ebadı, daha fazla bilgi sağlamaya hazır olan teknisyenlerimizce hesaplanan Y değerine bağlıdır.
Pim genel ebatları

Veriler:
d1 = Dil yüksekliği
FL = Dil genişliği
IL = Toplam dil ebadı
IP = Mil ebadı
d = Mil çapı
Ø R = Rulo capı
| STANDART sarılabilir siperler için sürükleme mili ebatları | ||||||
| Ø R | d1 | IL | FL | SL | d | IP |
| 30 | 6 | 8 | 8 | 2,6 | 7 | 8 |
| 40-50-60-70-80-90-100-120 | 10 | 15 | 12 | 4 | 10 | 10 |
| SURE SPRING® sarılabilir siperler için sürükleme mili ebatları | ||||||
| Ø R | d1 | IL | FL | SL | d | IP |
| 39-52-71 | 10 | 15 | 12 | 4 | 10 | 10 |
PEI, müşterinin çizimine göre de sürükleme milleri imal etmektedir.
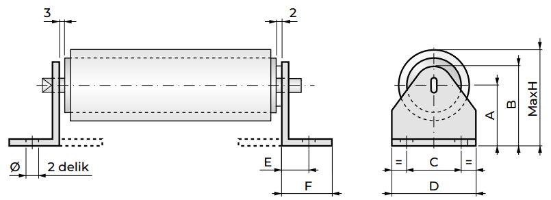
Destek

Kutusuz sarılabilir siper destekleri standart ebatları.
| Standart destek ebatları | |||||||||
| Kod | A | B | C | D | E | F | Ø | Hmax | Malzeme |
| 33 | 33 | 45 | 26 | 40 | 11 | 18 | 6,5 | 59 | Fe 15/10 galvanizli |
| 50 | 50 | 62 | 26 | 40 | 11 | 18 | 6,5 | 93 | Fe 15/10 galvanizli |
| 60 | 60 | 76 | 36 | 50 | 15 | 22 | 6,5 | 112 | Fe 20/10 galvanizli |
| 80 | 80 | 96 | 42 | 60 | 17 | 26 | 6,5 | 151 | Fe 25/10 galvanizli |
| 119 | 119 | 136 | 54 | 106 | 37 | 70 | 10 | 225 | Fe 40/10 galvanizli |
Montaj
Dikey çalışma konumu

Montaj şemaları
Bu şema tüm sarılabilir siperler için geçerlidir:
- Terminal türü
- Halı çıkış yönü
- Terminalin halının üzerindeki konumu
- Pim/dil görünümü
- Sabitleme terminallerinin malzemesi ve ebatları
Yatay çalışma konumu

Montaj şemaları
Bu şema tüm sarılabilir siperler için geçerlidir:
- Terminal türü
- Halı çıkış yönü
- Terminalin halının üzerindeki konumu
- Pim/dil görünümü
Sabitleme terminalleri

Halının makineye sabitlenmesi terminalleri, müşterinin talebine göre delinen, çelik ya da alüminyum levha ve köşebentlerinden ibarettir.
Çalışma konumları:

O = Yatay sarılabilir siper
F = Ön sarılabilir siper
V = Dikey sarılabilir siper
Mekanizma
SURE-SPRING®

SURE-SPRING® mekanizması SURE-SPRING® mekanizması ile donatılan P.E.I. Sarılabilir Siperler, sarılabilir rulolar alanındaki teknik yeniliğin en ileri aşamasını temsil etmektedir.
- YÜKSEK HIZLARDA çalışmaya uygun
- Çoklu yayları birbirlerine göre EŞ EKSENLİ dir
- Yaylar asla birbirleri ile ÇAKIŞMAMAKTADIR
- Ebat çaplarının AZALTILMASI
- MÜKEMMEL güvenilirlik
- 150 m/dak’ya kadar ilerleme HIZI
- 2g’ye kadar HIZLANMA
- 2.000.000 hareket garantisi
- Yapışkanlı ürünler KULLANILMADIĞINDAN halının boruya tespit edilmesi GÜVENLİĞİ
- Halı değişimi son derece hızlı ve basit olduğundan bakım KOLAYLIĞI
- GÜÇLÜ kimyasalların kullanıldığı ortamlara da uygun
- Çevre açısından SAĞLIKLI
SURE-SPRING® HP VERSİYONU

SURE-SPRING® mekanizması HP VERSİYONU SURE-SPRING HP sarım mekanizması, çok büyük siperlerin sarılmasının gerektirdiği güç artışı ihtiyacına cevap vermektedir. Yayların optimum ebatları, “J” Serisi Kepenklerin hareket ettirilmesine uygun bir güç meydana getirmektedir.
Hareket aktarımı

Borunun sabit orta mile göre dönme hareketi, kayan bir dişli aksam ile temin edilmektedir. Bu sistem, çoklu yayların uzamalarının, dişli bir mil kullanarak ve yayları sabitleyerek meydana gelen eksenel deplasman aracılığı ile dengelenmektedir.
Yenilikçi özellikler

Bu yeni sistem çoklu yaylara optimum geometri ile çalışma fırsatını sunarken, eksen boyunca mevcut olan hareket sayesinde açılma meydana gelmemektedir.
Sabitleme

Halının boruya mekanik olarak sabitlenmesi
Halının boruya bağlanma güvenliğini garanti etmenin en güvenilir yoludur.
Şema

Çalışma şeması SURE-SPRING®
- Sarılabilir boru no. 1’de (geleneksel sistem) yaylar milin uçlarında bulunan başlıklara tespit edilmektedir. Bu şekilde yaylar, sarım ya açılma esnasında tipik helezon yapısına göre dizilmekte, yayların birbirleri ve ora mil ile olan sürtünmeden dolayı aşınma sorunları ile karşı karşıya kalmaktadır.
- Sarılabilir rulo no. 2’de (SURE-SPRING® sistemi), yaylar hareketli bir başlığa bağlanmaktadır; açma ve sarma sırasında bu başlık yatay yönde hareket ederek yayları her zaman sıralı ve eş eksenli şekilde muhafaza etmektedir. Yayların bu geometrisi anılan aşınmaların büyük kısmını engellemekte, sarılabilir rulonun daha yüksek performans ile daha uzun faydalı ömür sergilemesine imkan vermektedir.
CERAMIX bant
CERAMIX

CERAMIX bant
TAKIM TEZGAHLARINDA UZAY TEKNOLOJİSİ: Düşük maliyetli güçlü bir yenilik
• CERAMIX polimer ve yüksek seramik içeriği ile kaplı bir banttır
• CERAMIX sıcak ve kuru talaşlı çalışmalarda yüksek bir dayanıklılığa sahiptir
• CERAMIX aşınma, kesilme ve mineral yağlara karşı mükemmel bir dayanıklılık sunar
• CERAMIX 1,8 mm bir kalınlığa sahiptir ve 2 kg/m² ağırlığındadır. ANTİSTATİK.
• CERAMIX 70 mm boru çapından başlayan mekanizmalar ile tüm P.E.I. rulo perdeler serileri üzerine donatılır.
CERAMIX LIGHT

CERAMIX LIGHT bant
Ağırlığın yarısında aynı dayanıklılık
• CERAMIX’in tüm özelliklerin taşır fakat 0,9 mm kalınlığa ve 1 kg/m² ağırlığa sahiptir
• ANTİSTATİK
• CERAMIX LIGHT 20 mm’den başlayan boru çaplı mekanizmalara uygundur.
Seramik parçacıklar

Seramik parçacıklar
• Bir mikroskobik inceleme, talaşın sert etkilerinde kendi karışımlarının koruyan bir seramik partiküller ağı saptar.
