Protecciones enrollables sin cajón

Las protecciones enrollables sin cajón PEI son únicas en su diseño y en la personalización para el usuario. La fiabilidad de las protecciones enrollables sin cajón está garantizada hasta 1.000.000 de movimientos gracias al motor de retorno dotado de múltiples muelles, fiable y con altísima velocidad de avance. (Patentado)
Datos
Dimensiones totales de la protección

Datos:
Ø Máx. = Diámetro máximo completamente enrollado
SL = Espesor lengüeta
LC = Longitud carrera
LM = Longitud máx.
LT = Ancho banda
Ø R = Diámetro rodillo de enrollado
IPR = Dimensiones totales protección
Las dimensiones totales de la protección enrollable completa, cota IPR, depende de la cotas Y, calculada por nuestros técnicos, que están a disposición de los clientes para aclarar cualquier duda.
Dimensiones totales del perno

Datos:
d1 = Altura lengüeta
FL = Ancho lengüeta
IL = Dimensiones totales lengüeta
IP = Dimensiones totales perno
d = Diámetro perno
Ø R = Diámetro rodillo
| Dimensiones totales del perno de arrastre para protecciones enrollables ESTÁNDARES | ||||||
| Ø R | d1 | IL | FL | SL | d | IP |
| 30 | 6 | 8 | 8 | 2,6 | 7 | 8 |
| 40-50-60-70-80-90-100-120 | 10 | 15 | 12 | 4 | 10 | 10 |
| Dimensiones totales del perno de arrastre para protecciones enrollables SURE SPRING® | ||||||
| Ø R | d1 | IL | FL | SL | d | IP |
| 39-52-71 | 10 | 15 | 12 | 4 | 10 | 10 |
PEI fabrica los pernos de arrastre también según diseño del cliente
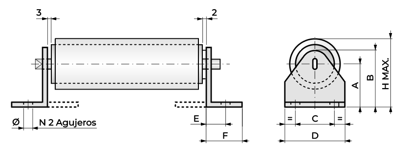
Soportes

Dimensiones estándares de los soportes para protecciones enrollables sin cajón.
| Dimensiones totales de los soportes estándares | |||||||||
| Cód. | A | B | C | D | E | F | Ø | Hmáx. | Material |
| 33 | 33 | 45 | 26 | 40 | 11 | 18 | 6,5 | 59 | Fe 15/10 galvanizado |
| 50 | 50 | 62 | 26 | 40 | 11 | 18 | 6,5 | 93 | Fe 15/10 galvanizado |
| 60 | 60 | 76 | 36 | 50 | 15 | 22 | 6,5 | 112 | Fe 20/10 galvanizado |
| 80 | 80 | 96 | 42 | 60 | 17 | 26 | 6,5 | 151 | Fe 25/10 galvanizado |
| 119 | 119 | 136 | 54 | 106 | 37 | 70 | 10 | 225 | Fe 40/10 galvanizado |
Montaje
Posiciones de trabajo verticales

Esquemas de montaje Este esquema es válido para todas las protecciones enrollables y representa:
- Tipo de terminal
- Dirección de salida de la banda
- Posición del terminal en la banda
- Vista del perno/lengüeta
Posiciones de trabajo horizontales

Esquemas de montaje Este esquema es válido para todas las protecciones enrollables y representa:
- Tipo de terminal
- Dirección de salida de la banda
- Posición del terminal en la banda
- Vista del perno/lengüeta
Terminales de fijación

Los terminales de fijación de la banda en la máquina están hechos de flejes y angulares de acero o aluminio, perforados a pedido del cliente
Posiciones de trabajo:

O = Protección enrollable para funcionamiento horizontal
F = Protección enrollable para funcionamiento frontal
V = Protección enrollable para funcionamiento vertical
Mecanismo
SURE-SPRING®

Mecanismo SURE-SPRING®
Las protecciones enrollables P.E.I. equipadas con el mecanismo SURE-SPRING® representan la fase más avanzada de la innovación técnica en este tipo de protecciones.
- Idóneo para trabajar a VELOCIDADES ELEVADAS
- Los muelles múltiples permanecen COAXIALES entre sí
- Los muelles NUNCA SE ENTRECRUZAN entre sí
- REDUCCIÓN de los diámetros ocupados
- Fiabilidad EXCELENTE
- VELOCIDAD de avance de hasta 150 m/min
- ACERELACIÓN hasta 2 g
- 2.000.000 de movimientos garantizados
- SEGURIDAD en el anclaje de la banda en el tubo porque NO se usan productos adhesivos
- Mantenimiento PRÁCTICO porque la sustitución de la banda resulta muy rápida y sencilla
- Idóneo incluso en ambientes de trabajo con productos químicos FUERTES Y AGRESIVOS
- SALUDABLE para el ambiente
SURE-SPRING® VERSIÓN HP

Mecanismo SURE-SPRING® VERSIÓN HP
El mecanismo de enrollado SURE-SPRING® HP responde a la exigencia de aumentar la fuerza para enrollar protecciones muy grandes. El óptimo dimensionamiento del muelle proporciona la fuerza de tracción adecuada para mover las persianas de la serie «J»
Traslación del movimiento

El movimiento rotatorio del tubo respecto al perno central fijo se obtiene mediante un órgano dentado deslizante. Este sistema consigue compensar el alargamiento de los muelles múltiples mediante el desplazamiento axial de la fijación de los muelles mismos mediante un perno roscado de varias entradas.
Características innovadoras

Este nuevo sistema permite que los muelles múltiples trabajen con una geometría optimizada, manteniendo las espiras cerradas gracias a su deslizamiento a lo largo del eje.
Fijación

Fijación mecánica de la banda en el tubo Es el método más fiable para garantizar la seguridad del anclaje de la banda en el tubo.
Esquema

Esquema de funcionamiento de SURE-SPRING®
- En el rodillo enrollable n.° 1 (sistema tradicional), los muelles se fijan a las cabezas que están alojadas en los extremos del perno. En esta ejecución, durante el enrollado y el desenrollado, los muelles se disponen en una típica configuración helicoidal con evidentes problemas de desgaste debidos a los roces entre las espiras y, también, entre las espiras y el cilindro central.
- En el rodillo enrollable n.° 2 (sistema SURE-SPRING®), los muelles se fijan a una cabeza móvil que, durante el enrollado y el desenrollado, se desliza longitudinalmente manteniendo las espiras de los muelles siempre empaquetadas y concéntricas. Esta geometría de los muelles evita gran parte de los desgastes indicados anteriormente con lo cual se obtienen unas prestaciones mucho más elevadas y una vida útil del rodillo enrollable mucho más larga.
Banda CERAMIX
CERAMIX

Banda CERAMIX
LA TECNOLOGÍA AEROESPACIAL EN LAS MÁQUINAS-HERRAMIENTA: El poder de la innovación con precios asequibles
• CERAMIX es una banda revestida con un polímero de alto contenido cerámico.
• CERAMIX tiene una excelente resistencia en los mecanizados con viruta caliente y seca.
• CERAMIX ofrece una excelente resistencia a la abrasión, al corte y a los aceites minerales.
• CERAMIX tiene un espesor de 1,8 mm y pesa 2 kg/m2. Es antiestática.
• CERAMIX se utiliza en toda la gama de rodillos enrollables P.E.I. con mecanismos a partir de 70 mm de diámetro del tubo.
CERAMIX LIGHT

Banda CERAMIX LIGHT
Misma resistencia con la mitad de peso
CERAMIX LIGHT presenta todas las características de CERAMIX pero con un espesor de 0,9 mm y pesa 1 kg/m2.
• CERAMIX LIGHT es antiestática.
• CERAMIX LIGHT es idónea para mecanismos con diámetro del tubo a partir de 20 mm.
• Si se examina al microscopio, se descubrirá una malla de partículas cerámicas que protegen su propia mezcla de los efectos agresivos de la viruta.
Partículas de cerámica

CERAMIX
• Si se examina al microscopio, se descubrirá una malla de partículas cerámicas que protegen su propia mezcla de los efectos agresivos de la viruta.
Documentación
Rellena el cuestionario con las características de tu protección

