Bez krytu

Roletové ochrany bez skříně PEI jsou jedinečné svým designem a přizpůsobením pro uživatele. Spolehlivost roletových ochran bez skříně je zaručena až do 1 000 000 cyklů díky navíjecímu mechanismu vybavenému více pružinami, spolehlivému a s velmi vysokou rychlostí posuvu. (Patentováno)
Legenda
Rozměr krytu

Legenda:
Ø Max = maximální průměr navinutí
SL = šířka klíče
LC = zdvih
LM = maximální délka
LT = šířka pásu
Ø R = průměr navíjecí roury
IPR = celková šířka
Celkové rozměry roletové ochrany, rozměr IPR je ovlivněn rozměrem Y, který vypočítají naši technici, kteří jsou vám k dispozici pro upřesnění.
Celkové rozměry čepu

Legenda:
d1 = výška pera
FL = šířka pera
IL = celkový rozměr pera
IP = celkový rozměr kolíku
d = průměr kolíku
Ø R = průměr navíjecí roury
| Rozměry: STANDARDNÍ roletové kryty | ||||||
| Ø R | d1 | IL | FL | SL | d | IP |
| 30 | 6 | 8 | 8 | 2,6 | 7 | 8 |
| 40-50-60-70-80-90-100-120 | 10 | 15 | 12 | 4 | 10 | 10 |
| Rozměry: roletové kryty SURE SPRING® | ||||||
| Ø R | d1 | IL | FL | SL | d | IP |
| 39-52-71 | 10 | 15 | 12 | 4 | 10 | 10 |
PEI vyrábí také unášecí čepy dle návrhu zákazníka.
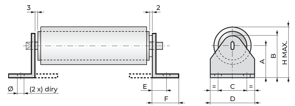
Nosné materiály

Standardní rozměry podpěr pro roletové kryty bez skříně.
| Rozměry standardních držáků | |||||||||
| série č. | A | B | C | D | E | F | Ø | Hmax | tloušťka materiálu |
| 33 | 33 | 45 | 26 | 40 | 11 | 18 | 6,5 | 59 | ocel 15/10 |
| 50 | 50 | 62 | 26 | 40 | 11 | 18 | 6,5 | 93 | ocel 15/10 pozinkovan |
| 60 | 60 | 76 | 36 | 50 | 15 | 22 | 6,5 | 112 | ocel 20/10 pozinkovan |
| 80 | 80 | 96 | 42 | 60 | 17 | 26 | 6,5 | 151 | ocel 25/10 pozinkovan |
| 119 | 119 | 136 | 54 | 106 | 37 | 70 | 10 | 225 | ocel 40/10 pozinkovan |
Montáž
Vertikální pracovní polohy

Montážní schémata Toto schéma platí pro všechny roletové ochrany a představuje:
- Typ koncovky
- Směr výstupu rolety
- Umístění koncovky na roletě
- Zobrazení čepu/pera
- Materiál a rozměry upevňovacích koncovek
Horizontální a čelní pracovní poloze

Montážní schémata Toto schéma platí pro všechny roletové ochrany a představuje:
- Typ koncovky
- Směr výstupu rolety
- Umístění koncovky na roletě
- Zobrazení čepu/pera
Koncovky pro upevnění

Koncovky pro uchycení rolety na stroji jsou vyrobeny z ocelových nebo hliníkových pásků a úhelníků a mají otvory podle přání zákazníka
Pracovní polohy:

O = horizontální roletová ochrana
F = přední roletová ochrana
V = vertikální roletová ochrana
Mechanismus
SURE-SPRING®

Mechanismus SURE-SPRING® Rolety PEI vybavené mechanismem zvaným SURE-SPRING® představují nejpokročilejší stupeň technické inovace v oblasti rolet.
- je vhodný pro vysoké rychlosti
- je zachována koaxialní pozice vícenásobných pružin
- pružiny se nekroutí a nekříží
- jsou redukovány průměry rolet
- rychlost posuvu až do 150 m/min
- zrychlení až do 2 g
- garance až do 2 miliónů pohybů
- bezpečné upevnění pásu na rouře: nejsou použita žádná lepidla
- rychlá a jednoduchá údržba
- vhodné i pro prostředí s agresivními chemickými prostředky
SURE-SPRING® VERZE HP

Mechanismus SURE-SPRING® VERZE HP Navíjecí mechanismus SURE-SPRING HP reaguje na potřebu zvýšení výkonu vyžadovaného navíjením velmi velkých ochran. Optimální dimenzování pružin vyvine tažnou sílu vhodnou pro pohyb rolet řady „J“.
Převod pohybu

Otáčivého pohybu roury k pevně upevněnému hřídeli se dosahuje díky pohyblivému ozubenému prvku. Tento systém umožňuje kompenzovat prodloužení vícenásobného pružinového systému pomocí axiálního posunu upevnění pružin, které jsou upevněny vícechodým čepem se závitem.
Inovativní funkce

Tento nový systém umožňuje více pružinám pracovat s optimální geometrií a udržovat cívky uzavřené díky jejich posuvnému pohybu podél osy.
Připevnění

Mechanické upevnění rolety na rouře Je to spolehlivější metoda zaručující bezpečné upevnění rolety na rouře.
Schéma

Funkční schéma SURE-SPRING®
- U roletového krytu č.1 (tradiční systém) jsou pružiny připevněny na koncích čepu. V tomto provedení jsou pružiny během navíjení nebo odvíjení uspořádány v typickém šroubovitém uspořádání se zjevnými problémy s opotřebením v důsledku tření mezi samotnými závity a mezi závity a centrální hřídelí.
- U roletového krytu č. 2 (systém SURE-SPRING®) jsou pružiny připevněny k pohyblivé hlavě, která se během navíjení a odvíjení posouvá v podélném směru a udržuje závity pružin vždy stlačené a soustředné. Tato geometrie pružin zabraňuje většině výše zmíněného opotřebení a umožňuje mnohem vyšší výkon a mnohem delší životnost navíjecího válce.
Materiál CERAMIX
Ceramix

Materiál CERAMIX
VESMÍRNÁ TECHNOLOGIE U OBRÁBĚCÍCH STROJŮ
- CERAMIX je materiál sestávající z nosné tkaniny potažené polymerem s vysokým obsahem keramického materiálu
- CERAMIX vyniká odolnostní vůči ostrým, horkým třískám při suchém obrábění
- CERAMIX má vynikající odolnost proti otěru a doporučuje se při použití minerálních olejů
- CERAMIX je materiál s tloušťkou 1,8 mm a hmotností 2 kg / m², je antistatický
- CERAMIX může být použit na všech P.E.I. roletách s průměrem roury od 70 mm navíjecího mechanismu
Ceramix light

Materiál CERAMIX LIGHT
STEJNÁ ODOLNOST S POLOVIČNÍ HMOTNOSTÍ
• CERAMIX LIGHT nabízí všechny vlastnosti CERAMIXu při tloušťce materiálu 0,9 mm a hmotnosti 1kg / m2
• CERAMIX LIGHT je antistatický
• CERAMIX LIGHT je vhodný pro navíjecí mechanismy s průměrem roury již od 20 mm.
Keramické částice

CERAMIX
Pohled přes mikroskop ukazuje síť keramických částic, které chrání vlastní kompozitní materiál před extrémně vysokým zatížením způsobeným třískami.
