Rolloabdeckungen ohne Gehäuse

Die Rolloabdeckungen ohne Gehäuse der P.E.I. sind einzigartig in ihrem Design und werden kundenspezifisch ausgelegt. Dank des zuverlässigen Mehrfachfedermechanismus können für diese Rolloabdeckungen bis zu 1.000.000 Bewegungen garantiert werden, auch bei besonders hohen Verfahrgeschwindigkeiten.
(Patentiert)
Abmessungen
Abmessungen

Abmessungen:
Ø Max = maximaler Aufwickeldurchmesser
SL = Schlüsselweite
LC = Hublänge
LM = Maximale Länge
LT = Bandbreite
Ø R = Rohrdurchmesser
IPR = Gesamtbreite
Die Gesamtbreite der Rolloabdeckung – IPR – hängt auch vom Y-Maß ab, das von unseren Konstrukteuren berechnet wird. Unsere Konstrukteure stehen Ihnen bei Fragen gerne zur Verfügung.
Achsabmessungen

Abmessungen:
d1 = Schlüsselhöhe
FL = Schlüsselbreite
IL = Überstand der Schlüsselweite
IP = Überstand Welle
d = Durchmesser Welle
Ø R = Rohrdurchmesser
| Achsabmessungen für STANDARD Rolloabdeckungen | ||||||
| Ø Rohr | d1 | IL | FL | SL | d | IP |
| 30 | 6 | 8 | 8 | 2,6 | 7 | 8 |
| 40-50-60-70-80-90-100-120 | 10 | 15 | 12 | 4 | 10 | 10 |
| Achsabmessungen für Rolloabdeckungen des Typs SURE SPRING® | ||||||
| Ø Rohr | d1 | IL | FL | SL | d | IP |
| 39-52-71 | 10 | 15 | 12 | 4 | 10 | 10 |
P.E.I. fertigt Wellen auch nach Kundenzeichnung
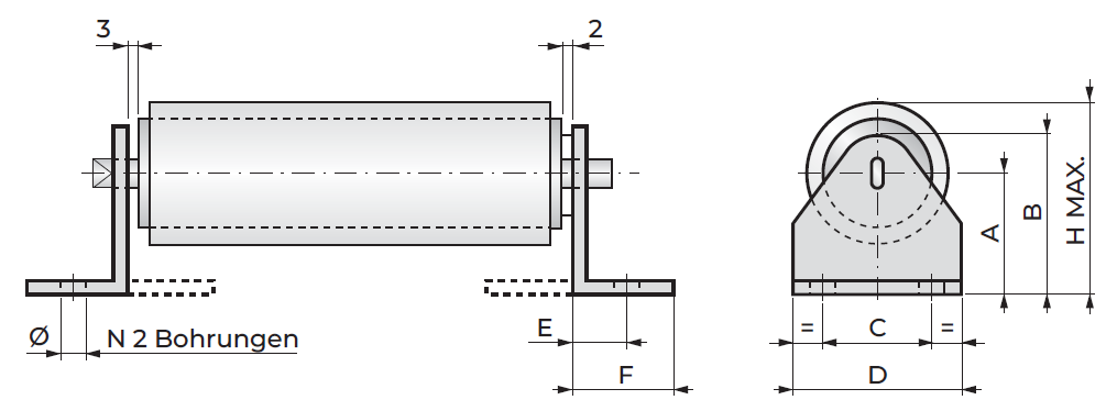
Standard-Halterungen

Abmessungen der Standard-Halterungen für Rolloabdeckungen ohne Gehäuse.
| Maße der Standard-Halterungen | |||||||||
| Serien-Nr. | A | B | C | D | E | F | Ø | Hmax | Material |
| 33 | 33 | 45 | 26 | 40 | 11 | 18 | 6,5 | 59 | St 15/10 verzinkt |
| 50 | 50 | 62 | 26 | 40 | 11 | 18 | 6,5 | 93 | St 15/10 verzinkt |
| 60 | 60 | 76 | 36 | 50 | 15 | 22 | 6,5 | 112 | St 20/10 verzinkt |
| 80 | 80 | 96 | 42 | 60 | 17 | 26 | 6,5 | 151 | St 25/10 verzinkt |
| 119 | 119 | 136 | 54 | 106 | 37 | 70 | 10 | 225 | St 40/10 verzinkt |
Montage
Vertikale Arbeitsstellungen

Montageabbildungen
Diese Variationsmöglichkeiten gelten für alle Rolloabdeckungen:
- Art der Bandbefestigung
- Ausgangsrichtung des Abdeckbandes
- Position der Endbefestigung auf dem Abdeckband
- Ansicht Welle/Schlüssel
Horizontale Arbeitsstellungen

Montageabbildungen
Diese Variationsmöglichkeiten gelten für alle Rolloabdeckungen:
- Art der Bandbefestigung
- Ausgangsrichtung des Abdeckbandes
- Position der Endbefestigung auf dem Abdeckband
- Ansicht Welle/Schlüssel
Bandbefestigung

Die Endbefestigungen des Abdeckbandes an der Maschine bestehen aus Leisten und Winkel aus Stahl oder Aluminium mit Bohrungen nach Kundenwunsch
Arbeitsstellung

O = horizontale Arbeitsstellung der Rolloabdeckung
F = frontale Arbeitsstellung der Rolloabdeckung
V = vertikale Arbeitsstellung der Rolloabdeckung
Mechanismus
SURE-SPRING®

SURE-SPRING® Mechanismus
Die mit dem SURE-SPRING® Mechanismus ausgestatteten P.E.I. Rolloabdeckungen sind die neueste technologische Dimension im Bereich der Rolloabdeckungen.
- Geeignet für HOHE Verfahrgeschwindigkeiten
- Die KOAXIALE Lage der Mehrfachfedern wird beibehalten
- Es tritt KEINE ÜBERSCHNEIDUNG der Federn auf
- Der Rollo-Durchmesser kann REDUZIERT werden
- AUSGEZEICHNETE Zuverlässigkeit
- VERFAHRGESCHWINDIGKEITEN bis zu 150 m/min
- BESCHLEUNIGUNGEN bis 2g
- Garantie für 2.000.000 Bewegungen
- SICHERE Verankerung des Bandes am Rohr, da KEINE Klebemittel verwendet werden
- EINFACHE Wartung: Das Abdeckband lässt sich schnell und einfach auswechseln
- Auch für Einsatzbedingungen geeignet, bei denen aggressive chemische Mittel anfallen
- Umweltfreundlich
SURE-SPRING® VERSION HP

Bewegungsübersetzung

Die Drehbewegung des Rohres zur feststehenden Welle wird durch ein verschiebbares Zahnelement erreicht.
Dieses System ermöglicht es, die Ausdehnung der Mehrfachfedern durch eine axiale Verschiebung der Federbefestigung mittels eines mehrgängigen Gewindebolzens auszugleichen.
Innovative Eigenschaften

Durch dieses System arbeiten die Mehrfachfedern unter optimalen geometrischen Voraussetzungen, denn ihre Windungen bleiben durch die Verschiebung entlang der Achse geschlossen.
Befestigung

Mechanische Befestigung des Bandes am Rohr
Dies ist der zuverlässigste Weg um eine sichere Verankerung des Bandes am Rohr zu gewährleisten.
Ansicht

Funktionskonzept von SURE-SPRING®
- Bei der Rolloabdeckung Nr. 1 (konventionelle Ausführung) werden die Federn direkt an den Seitenteilen befestigt. In dieser Ausführung verdrehen sich aber die Federn schraubenartig und schlängeln sich beim Wickeln oder Abwickel. Hierbei entstehen Probleme wie Abrieb und Verschleiß an den Federspiralen, sowie zwischen Feder und Welle.
- Bei der Rolloabdeckung Nr. 2 (SURE-SPRING®-System) werden die Federn an einem speziellen beweglichen Seitenteil angebracht, das sich beim Aufwickeln längsseitig verschiebt. Dabei werden die Federspiralen kontinuierlich verpackt und konzentrisch gehalten. Diese Federkonfirguration ermöglicht es, den oben beschriebenen Abrieb und folglich Verschleiß größtenteils zu vermeiden, was zu einer bedeutend besseren Funktion und einer viel längeren Betriebslebensdauer der Rolloabdeckung führt.
Schutzwand CERAMIX
CERAMIX

Schutzwand CERAMIX
RAUMFAHRTTECHNIK IN WERKZEUGMASCHINEN – Eine leistungsfähige und kostengünstige Neuerung
• CERAMIX ist ein Bandmaterial bestehend aus einem Trägergewebe, das mit einem Polymer mit hohem Keramikgehalt beschichtet ist
• CERAMIX verfügt über eine ausgezeichnete Beständigkeit gegen heisse Späne bei der Trockenbearbeitung
• CERAMIX besitzt eine ausgezeichnete Abrieb- und Scherbeständigkeit und wird beim Einsatz von Mineralölen empfohlen
• CERAMIX Bandmaterial ist 1,8 mm dick und wiegt 2 kg/m², ist antistatisch
• CERAMIX kann auf allen P.E.I.-Rolloabdeckungen mit Mechanismen ab 70 mm Rohrdurchmesser eingesetzt werden
CERAMIX LIGHT

Bandmaterial CERAMIX LIGHT
Gleiche Festigkeit bei halbem Gewicht
• CERAMIX LIGHT bietet alle Eigenschaften des CERAMIX jedoch bei einer Bandstärke von 0,9 mm und einem Gewicht von 1 kg/m²
• CERAMIX LIGHT ist antistatisch
• CERAMIX LIGHT ist geeignet für Mechanismen mit einem Rohrdurchmesser schon ab 20 mm
Keramikpartikel

Bandmaterial CERAMIX
• Ein Blick durch das Mikroskop zeigt ein Netz von Keramikpartikeln, die den eigenen Materialverbund vor der extrem hohen Belastung durch Späne schützen
