Enrouleurs de Protection Sans Caisson

Les enrouleurs de protection sans caisson PEI sont uniques par leur conception et leur personnalisation par l’utilisateur. La fiabilité de l’enrouleur sans caisson est garantie jusqu’à 1.000.000 mouvements grâce au moteur de rappel fiable et à très haute vitesse avec ressorts multiples.
(Breveté)
Données
Gabarit de protection

Données:
Ø Max = Diamètre maxi enroulé au maximum
SL = Épaisseur languette
LC = Longueur de la course
LM = Longueur maximale
LT = Largeur du tapis
Ø R = Diamètre du rouleau d’enroulement
IPR = Dimensions de protection
Les dimensions globales de la protection totale enroulée, dimension IPR, sont influencées par la dimension Y, qui est calculée par nos techniciens qui sont à votre disposition pour toute clarification.
Dimensions des pivots

Données:
d1 = Hauteur languette
FL = Largeur languette
IL = Dimension totale languette
IP = Dimension pivot
d = Diamètre pivot
Ø R = Diamètre rouleau
| Dimensions du pivot d’entraînement des rouleaux de protection STANDARD | ||||||
| Ø Rouleau | d1 | IL | FL | SL | d | IP |
| 30 | 6 | 8 | 8 | 2,6 | 7 | 8 |
| 40-50-60-70-80-90-100-120 | 10 | 15 | 12 | 4 | 10 | 10 |
| Dimensions du pivot d’entraînement des rouleaux de protection SURE SPRING® | ||||||
| Ø Rouleau | d1 | IL | FL | SL | d | IP |
| 39-52-71 | 10 | 15 | 12 | 4 | 10 | 10 |
PEI fabrique également des broches d’entraînement selon les dessins des clients.
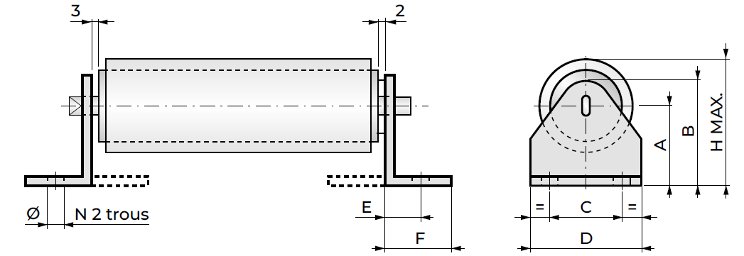
Supports

Dimensions standard des supports pour les enrouleurs de protection sans caisson.
| Dimensions standard des supports | |||||||||
| Code | A | B | C | D | E | F | Ø | Hmax | Matériel |
| 33 | 33 | 45 | 26 | 40 | 11 | 18 | 6,5 | 59 | Fe 15/10 zingué |
| 50 | 50 | 62 | 26 | 40 | 11 | 18 | 6,5 | 93 | Fe 15/10 zingué |
| 60 | 60 | 76 | 36 | 50 | 15 | 22 | 6,5 | 112 | Fe 20/10 zingué |
| 80 | 80 | 96 | 42 | 60 | 17 | 26 | 6,5 | 151 | Fe 25/10 zingué |
| 119 | 119 | 136 | 54 | 106 | 37 | 70 | 10 | 225 | Fe 40/10 zingué |
Montage
Positions de travail verticales

Diagrammes d’assemblage
Ce schéma est valable pour tous les enrouleurs de protection et représente:
- Type de terminal
- Direction de sortie du tapis
- Position du terminal sur le tapis
- Vue de la broche/languette
Positions de travail horizontales

Diagrammes d’assemblage
Ce schéma est valable pour toutes les protections d’obturateur et représente:
- Type de terminal
- Direction de sortie du tapis
- Position du terminal sur le tapis
- Vue de l’épingle et de la langue
Bornes de fixation

Les bornes de fixation de la bande à la machine sont réalisées à partir de plaques et de cornières en acier ou en aluminium, percées à la demande du client.
Positions de travail

O = Horizontale
F = Frontale
V = Verticale
Mécanisme
SURE-SPRING®

Mécanisme SURE-SPRING®
L’enrouleur à caisson P.E.I. appelé SURE-SPRING® représente la phase la plus avancée des innovations techniques du
domaine des enrouleurs:
- Convient pour travailler à HAUTE VITESSE
- Les ressorts multiples restent COASSIAUX les uns par rapport aux autres
- Les ressorts ne s’intersèquent JAMAIS entre eux
- RÉDUCTION des diamètres totaux
- EXCELLENTE fiabilité
- VITESSE D’ALIMENTATION jusqu’à 150 m/min
- ACCÉLÉRATION jusqu’à 2G
- 2.000.000 mouvements garantis
- SÉCURITÉ dans l’ancrage de la ceinture au tuyau car AUCUN produit adhésif n’est utilisé
- PRATIQUE en matière d’entretien, car le remplacement de la courroie est très rapide et facile
- Convient également dans les environnements de travail avec des produits chimiques FORTEMENT AGGRESSIFS
- SAIN pour l’environnement.
SURE-SPRING® VERSION HP

Mécanisme SURE-SPRING® VERSION HP
Le mécanisme d’enroulement SURE-SPRING® HP répond aux exigences d’augmentation de puissance pour l’enroulement des grandes protections.
La puissance est prévue optimale pour un déroulement doux, adapté aux mouvements des tabliers de la série « J ».
Conversion du mouvement

Le mouvement de rotation du tube par rapport au pivot central fixe est réalisé au moyen d’un organe denté coulissant.
Ce système permet de compenser l’allongement de plusieurs ressorts par un déplacement axial de la fixation du ressort à l’aide d’une tige filetée à plusieurs départs.
Caractéristiques innovantes

Ce nouveau système permet aux ressorts multiples de travailler avec une géométrie optimale, en maintenant les spires fermées grâce à leur mouvement glissant le long de l’axe.
Fixation

Fixation mécanique du tapis sur le tube
C’est la méthode la plus fiable pour garantir la sécurité de l’ancrage du tapis sur le tube.
Schéma

Schéma de fonctionnement du SURE-SPRING®
- 1 (système traditionnel): les ressorts sont disposés, pendant l’enroulement ou le déroulement, dans une configuration
hélicoïdale typique, avec des problèmes d’usure évidents dus au frottement entre les bobines elles-mêmes, ainsi qu’entre les
bobines et l’arbre central. - 2 (système SURE-SPRING®): les ressorts sont fixés à une tête mobile qui, pendant l’enroulement et le déroulement, glisse
longitudinalement, ce qui permet de maintenir les spires du ressort toujours jointives et concentriques. Cette géométrie du
ressort évite la plupart des phénomènes d’usure mentionnés ci-dessus, ce qui permet d’obtenir des performances bien supérieures et une durée de vie bien plus longue pour le rouleau.
Tapis CERAMIX
CERAMIX

Tapis CERAMIX
TECHNOLOGIE AÉRONAUTIQUE DANS LES MACHINES OUTILS
• CERAMIX est une bande de toile couverte d’une couche polymère à haute teneur en céramique
• CERAMIX est très résistant contre les impacts de copeaux chauds lors du travail à sec.
• CERAMIX a une excellente résistance à l’abrasion et au déchirement, il est recommandé lors de l’usage d’huiles minérales.
• CERAMIX est une toile de 1,8 mm d’épaisseur, et d’un poids de 2kg/m². Elle est antistatique.
• CERAMIX peut être montée sur tous les enrouleurs avec des mécanismes ayant un diamètre minimum de 70 mm.
CERAMIX LIGHT

Tapis CERAMIX LIGHT
Résistance identique avec la moitié du poids
• CERAMIX LIGHT présente les mêmes caractéristiques que le Ceramix mais avec une épaisseur de 0,9 mm et un poids de 1kg/m².
• CERAMIX LIGHT est antistatique.
• CERAMIX LIGHT convient aux mécanismes d’un diamètre minimum de 20 mm.
Particules de céramique

CERAMIX
Une vue au microscope montre un mélange de particules de céramique qui protègent leur propre matériau composite des forts impacts de l’abrasion.
